пятница, 1 февраля 2013 г.

модель кпп на маз 504в

ПРОДАЕМ АВТОЗАПЧАСТИОПТОМ И В РОЗНИЦУ ОТ ГАЕКДО ДВИГАТЕЛЕЙ!

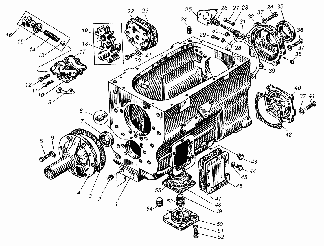
Картер и насос масляный коробки передач МАЗ 504В (Чертеж ЂЂЂ 75: список деталей, стоимость запчастей). Каталог 2005г.

Комментариев нет:

Отправить комментарий